PLC - Programovatelné logické automaty
PLC-AUTOMATIZACE - PERIFERIE - ANALOGOVÉ PERIFERIE - ZAPOJENÍ ANALOG. SIGNÁLŮ Provoz webu zajišťuje:

www.hapesoft.cz

Zapojení analogových signálů a stínění

Zapojení obvodů analogových signálů je dáno způsobem užití signálu: měření/distribuce, napětí/proud a požadavky na ochranu před rušením.

Značení svorek, přípojných bodů, se může lišit podle provedení výrobce. U svorky MANA je potřeba ověřit její interní propojení v modulu podle dokumentace výrobce.

Přehled připojení analogových signálů k analogovým vstupním modulům

Obrázek 1.
Připojení napěťového signálu.
Obrázek 2a.
2 drátové připojení proudového vysílače (snímače).
Obrázek 2b.
4 drátové připojení proudového vysílače (snímače).
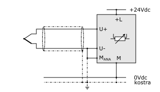
Obrázek 3a.
Připojení termočlánku s externí kompenzací.
Obrázek 3b.
Připojení termočlánku s uzemněným bodem.
Obrázek 4a.
2 drátové připojení termistoru (RTD).
Obrázek 4b.
3 drátové připojení termistoru (RTD).
Obrázek 4c.
4 drátové připojení termistoru (RTD).

Přehled připojení analogových signálů k analogovým výstupním modulům

Obrázek 5a.
Připojení napěťového výstupu.
Obrázek 5a.
Připojení napěťového výstupu s vyřazenou kompenzací.
Obrázek 5a.
Připojení napěťového výstupu s kompenzací.
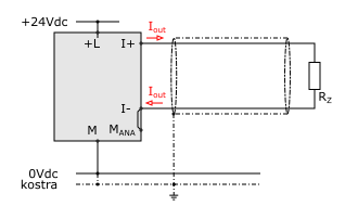
Obrázek 6.
Připojení proudového výstupu.

Příklady nevhodného propojení analogové země a stínění

Obrázek 7.
Nevhodné propojení analogové země.
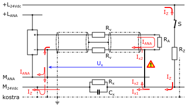
Obrázek 8.
Nevhodné propojení kostry.
 

PLC-AUTOMATIZACE - PERIFERIE - ANALOGOVÉ PERIFERIE - ZAPOJENÍ ANALOG. SIGNÁLŮ
 
Publikovaný obsah je určen pouze pro individuální studium.
Není povolena distribuce, prodej, přetisk a použití textu a/nebo vyobrazení (úplný, dílčí a/nebo částečný), použití ke školení a/nebo výuce (hromadné, skupinové nebo zadávané), veřejné a/nebo skupinové prezentace a ani jiné formy šíření v hmotné a/nebo nehmotné podobě.